Bachelorarbeit
Induktives Laden von Fahrzeugen - Jakob Bisinger
Wintersemester 2020/21
Jakob Bisinger
Startseite
Team
Definitionsphase
Vorwort
Problemstellung
Stand der Technik
Aufgabenstellung
Mindmap
ProjektplanIST
Anforderungsliste
Konzeptphase
Black-Box
Funktionsstruktur
Morphologie
Vorteile/Nachteile
Lösungsalternativen
Ranking
Verfahrensmatrix NWA
Ergebnis der Nutzwertanalyse
Konzeptentwicklung
Bestellliste
Ausarbeitung
Ausgewählte Lösung
Blockschaltbild
Software Dokumentation
Portbelegungsplan
Schaltplan
Layout
Quellcode
Mechanik
3-D-Druck
Bedienungsanleitung
Weiterentwicklungen
Linkliste
Fazit
Anhang
Protokolle
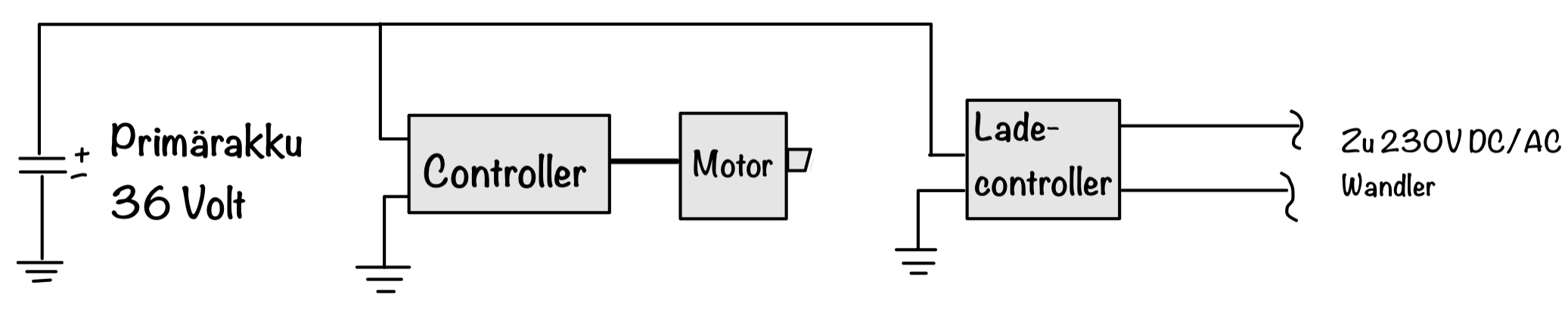
Schaltplan
Abbildung: Stromkreis des Antriebsmotors
Abbildung: Stromkreis der Lichtsteuerung
Eine Erklärung zu der geplanten Verkabelung finden Sie unter
Konzeptentwicklung
.
Mit Unterstützung von Prof. J. Walter
Wintersemester 2020