Technische Zeichnungen der
Einzelteile:Nachfolgend sind alle
technischen Zeichnungen für die Fertigung der Einzelteile zu
sehen.

Abbildung: Technische Zeichnung der Bodenplatte

Abbildung: Technische Zeichnung des Drehtellers für die
Cocktailgläser

Abbildung: Technische Zeichnungen der Welle für den Drehteller,
sowie der Trägerplatte für das Cocktailglas.

Abbildung: Technische Zeichnung der Montageplatte für die
Magnetventile

Abbildung: Technische Zeichnung der Adapterwelle für die
Zahnrad-Motor-Verbindung

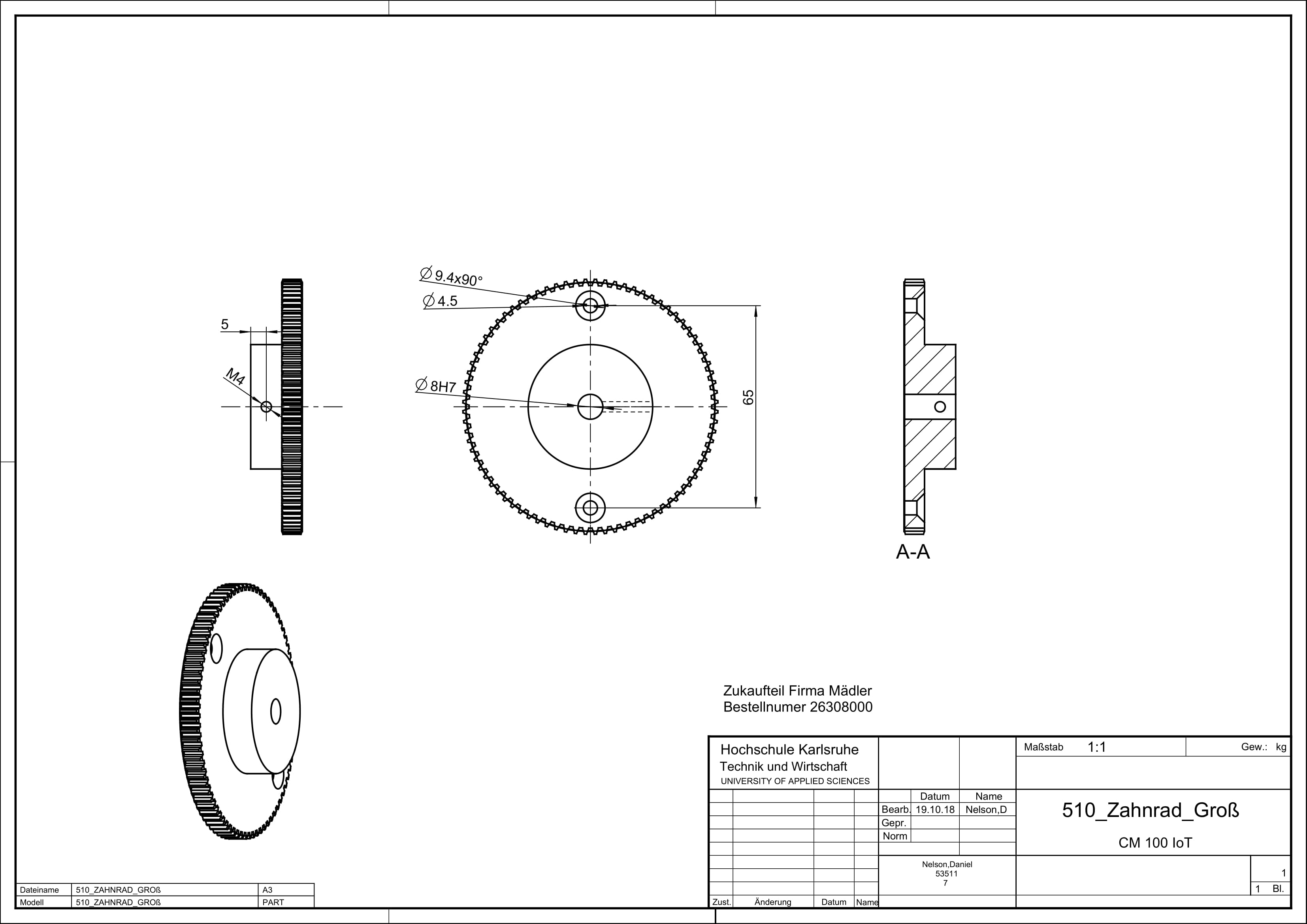
Abbildung: Technische Zeichnung für die Nacharbeit am Zahnrad
(Kaufteil)
Abbildung: Technische Zeichnung für die Nacharbeit am
kleinen Zahnrad (Kaufteil)