Informationstechnik
CM100/IOT: Mechanischer Neubau - MSA
Wintersemester 2018/2019
Nelson, Daniel
Wursthorn, Christopher
Startseite
Team
Definitionsphase
Vorwort
Problemstellung
Stand der Technik
Aufgabenstellung
Mindmap
ProjektplanIST
Anforderungsliste
Konzeptphase
Black-Box
Funktionsstruktur
Morphologie
Vorteile/Nachteile
Lösungsalternativen
Ranking
Verfahrensmatrix NWA
Ergebnis der Nutzwertanalyse
Konzeptentwicklung
Bestellliste
Ausarbeitung
Ausgewählte Lösung
Blockschaltbild
Software Dokumentation
Portbelegungsplan
Schaltplan
Layout
Quellcode
Mechanik
3-D-Druck
Bedienungsanleitung
Weiterentwicklungen
Linkliste
Fazit
Anhang
Protokolle
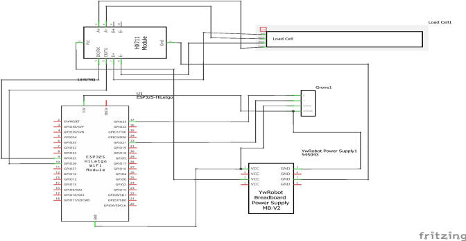
Schaltplan
Für den Aufbau der Messystemanalyse wurde ein Schaltplan mithilfe des Programmes Fritzing erstellt.
Im nachfolgenden sind der Steckbrettaufbau sowie der Schaltplan zu sehen. Die ganze Fritzing Datei kann auch hier heruntergeladen werden:
Download Fritzing-Datei
Abbildung: Steckbrettaufbau erstellt in Fritzing
Abbildung: Schaltplan erstellt in Fritzing.
Mit Unterstützung von Prof. J. Walter
Wintersemester 2018/2019