Informationstechnik
CM-IoT Füllstand
Sommersemester 2019
Tareq Mahdawi
Startseite
Team
Definitionsphase
Vorwort
Problemstellung
Stand der Technik
Aufgabenstellung
Mindmap
ProjektplanIST
Anforderungsliste
Konzeptphase
Black-Box
Funktionsstruktur
Morphologie
Vorteile/Nachteile
Lösungsalternativen
Ranking
Verfahrensmatrix NWA
Ergebnis der Nutzwertanalyse
Konzeptentwicklung
Bestellliste
Ausarbeitung
Ausgewählte Lösung
Blockschaltbild
Software Dokumentation
Portbelegungsplan
Schaltplan
Layout
Quellcode
Mechanik
3-D-Druck
Bedienungsanleitung
Weiterentwicklungen
Linkliste
Fazit
Anhang
Protokolle
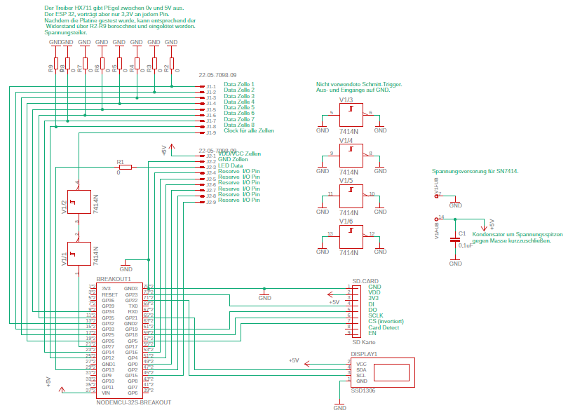
Schaltplan
Die Schaltpläne wurden von der Gruppe vom letzten Semester (WS 18/19) übernommen, da die selben Bauteil wieder verwndet wurden.
Schaltplan Steuerplatine Wägezellen
Schaltplan Treiber - Platine
Hier geht's zum
Download
der zip-Datei
Mit Unterstützung von Prof. J. Walter
Sommersemester 2019