Funktionsstruktur

Grafisches Blockschaltbild SFH 9201

grafisches Blockschaltbild

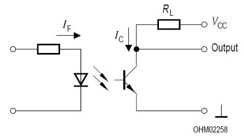
Elektrisches Blockschaltbild SFH 9201

Bild_Blockschlatbild