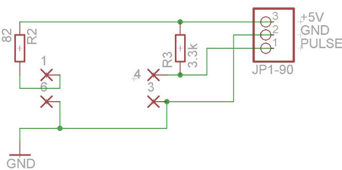
Schaltplan

 

Schaltplan_!

                                   

Schaltplan_2

 

Portbelegung