Prüfung: Informationstechnik
Termin: Mittwoch,
9. Juli 2003
Prüfer: Prof. J. Walter
Hilfsmittel: beliebig
Name: _________________________
Vorname: _________________________
Bemerkung: _________________________
bitte keine rote Farbe verwenden
(nicht ausfüllen) !
|
Aufgabe |
mögl.
Punkte |
erreichte
Punkte |
|
1 |
10 |
|
|
2 |
11 |
|
|
3 |
10 |
|
|
4 |
10 |
|
|
5 |
9 |
|
|
|
|
|
|
|
|
|
|
Gesamt |
50 |
|
|
|
|
|
|
|
Note |
|
Bearbeiten
Sie die Aufgaben nur, falls Sie keine gesundheitlichen Beschwerden haben.
Viel
Erfolg
Bemerkung:
Sie können die Vorder- und Rückseite benutzten. Es werden nur die auf
den Prüfungsblättern vorhandenen oder fest mit den Prüfungsblättern verbundenen
Ergebnisse gewertet.
Die Funktion
soll im Bereich
optimal durch eine
Gerade
angenähert werden.
a) Bestimmen Sie die Gleichung der Geraden
b) Skizzieren Sie das Ergebnis
Lösung:
Vorsicht alt



Lösung mit Maple:
> 0=diff(int(
((exp(-x/2)-(a*x+b))^2), x=0..3*pi ),a);
![]()
> 0=diff(int(
((exp(-x/2)-(a*x+b))^2), x=0..3*pi ),b);
>
![]()
> b=solve(0 =
12*exp(-3/2*pi)*pi+8*exp(-3/2*pi)+18*a*pi^3+9*pi^2*b-8,b);

> a=solve( 0 =
4*exp(-3/2*pi)+9*a*pi^2+6*b*pi-4, a );

> b=solve(b =
-2/9*(-4+6*exp(-3/2*pi)*pi+4*exp(-3/2*pi)+9*(-2/9*(-2+2*exp(-3/2*pi)+3*b*pi)/pi^2)*pi^3)/pi^2,b);

>
a=solve(a =
-2/9*(-2+2*exp(-3/2*pi)+3*(4/3*(-2+exp(-3/2*pi)*pi+2*exp(-3/2*pi)+2*pi)/pi^2)*pi)/pi^2,a);

> evalf(4/3*(-2+exp(-3/2*Pi)*Pi+2*exp(-3/2*Pi)+2*Pi)/Pi^2);
![]()
> evalf(-4/9*(3*Pi+3*exp(-3/2*Pi)*Pi-4+4*exp(-3/2*Pi))/Pi^3);
![]()
> plot([exp(-x/2),0.5848763608-0.07948751373*x],
x=0..3*Pi, color=[red,blue], style=[point,line]);

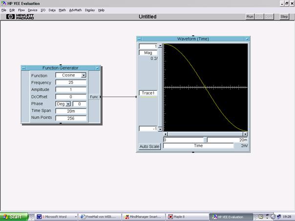
Eine Cosinus
(Amplitudenwerte +1, -1) mit der Frequenz 25 Hz wird mit der Blockgröße N=8
abgetastet. Die Messzeit ist 20ms.
a)
1P Skizzieren
Sie das Signal über der angegebenen Messzeit.
b)
1P Berechnen
Sie die Amplitudenwerte der Abtastpunkte und tragen Sie diese in die Tabelle
ein.
c)
7P Berechnen
Sie aus den Abtastwerten die skalierte DFT für m=0, m=1, m=2, m=3.
d)
2P Welcher
prinzipielle Fehler wird bei dieser Abtastung gemacht?
Lösung a. Mit HP VEE

Bild 1: Cosinus
Zum
Ermitteln der Werte ist es sinnvoll, 8 Punkte in Num Points einzugeben. Im
Container stehen die Werte.
|
n= |
f(n) |
|
0 |
1 |
|
1 |
0,924 |
|
2 |
0,707 |
|
3 |
0,383 |
|
4 |
0 |
|
5 |
-0,383 |
|
6 |
-0,707 |
|
7 |
-0,924 |
Die
skalierte DFT kann ebenfalls mit HP VEE ermittelt werden.

Lösung c :
Mit der
Formel
![]()
und den Werten für N=8, ergeben sich für die
jeweiligen Ergebnisse:
|
m-te
Harmonische |
Amplitude |
|
0 = Mittelwert |
0,125 |
|
1. |
0,853 |
|
2. |
0,3684 |
|
3. |
0,2725 |
|
|
|
Vorsicht der Mittelwert muss extra berechnet werden!
Lösung auch mit HP VEE V3.2 aber Vorsicht, Faktor 2/N
berücksichtigen !
Lösung d :
Es wird
keine ganze Periode abgetastet. Das Beobachtungsfenster ist zu klein.
Erstellen
Sie für die nachfolgende Schaltung die Übertragungsfunktion.

Schaltung mit R,L
und C
a) Erstellen
Sie die Übertragungsfunktion G(s)
b) Erstellen
Sie die Differentialgleichung für den Zeitbereich ( System ist am Anfang in
Ruhe)
c) Bestimmen
Sie die Impulsantwort für die normierten Werte R=1, C=1, L=1
d) Skizzieren
Sie die Impulsantwort für t=0 bis
e) Bestimmen
Sie die Sprungantwort für die normierten
Werte R=1, C=1, L=1
f) Skizzieren
Sie die Sprungantwort für t=0 bis
Lösung
Aufgabe 3a

Lösung b
![]()
Lösung
Aufgabe c

> with(inttrans):
> invlaplace((s^2)/(s^2+s+1), s,
x);
![]()
> > plot(Dirac(x)-exp(-1/2*x)*cos(1/2*3^(1/2)*x)-1/3*3^(1/2)*exp(-1/2*x)*sin(1/2*3^(1/2)*x),x=0..6*Pi,y=-1..+1);
![]()

> invlaplace((s)/(s^2+s+1), s,
x);
![]()
> plot(exp(-1/2*x)*cos(1/2*3^(1/2)*x)-1/3*3^(1/2)*exp(-1/2*x)*sin(1/2*3^(1/2)*x),x=0..6*Pi);

4 FIR-Filter
(10 Punkte)
Eine
Bandsperre mit den Grenzfrequenzen fgoben = 60 Hz und fgunten=40Hz ist als
FIR-Filter für N=3 zu entwerfen. Die Abtastfrequenz beträgt fa=1 kHz.
a) Berechnen
Sie die Filtergleichung für das FIR-Filter
![]()
b) Berechnen
und skizzieren Sie die Antwort des FIR-Filters auf einen Impuls der Breite von
10 Abtastwerten.
Lösung:
![]()
![]()
Bandsperre=Allpass-(Tiefpass_oben - Tiefpass_unten)
|
-3 |
-0,023 |
a-3 |
|
-2 |
-0,032 |
a-2 |
|
-1 |
-0,038 |
a-1 |
|
0 |
0,96 |
a0 |
|
1 |
-0,038 |
a+1 |
|
2 |
-0,032 |
a+2 |
|
3 |
-0,023 |
a+3 |

Berechnung mit Excel:
Eingang Ausgang
|
0 |
0 |
|
0 |
0 |
|
0 |
-0,023 |
|
0 |
-0,055 |
|
0 |
-0,093 |
|
1 |
0,867 |
|
1 |
0,829 |
|
1 |
0,796 |
|
1 |
0,773 |
|
1 |
0,773 |
|
1 |
0,773 |
|
1 |
0,773 |
|
1 |
0,796 |
|
1 |
0,829 |
|
1 |
0,867 |
|
0 |
-0,093 |
|
0 |
-0,055 |
|
0 |
-0,023 |
|
0 |
0 |
|
0 |
0 |
|
0 |
0 |

Reihe 1 = Eingang FIR-Filter
Reihe 2 = Ausgang FIR-Filter
5 Erklären Sie
folgende Begriffe mit aus Sicht des Ingenieurs.
High Definition
Television Fernsehen
mit höherer Pixelanzahl als PAL. PAL hat die Auflösung von 720*576 mit
Halbbildverfahren (interlaced). HDTV hat mehrere Auflösungen und kann sowohl im
progressive als auch im interlaced-Mode arbeiten:
1280*720 – z.B. 720p
1920*1080 (Kino-Qualität) – z.B. 1080i
-
nicht kompatibel zu bisherigen PAL-Systemen Kameras, Fernseher
Beim
Fernsehen werden 2 Halbbilder erzeugt.
Jeweils ein Halbbild mit den geraden Zeilen und das andere Halbbild mit den
ungeraden Zeilen. Dieses Verfahren wurde aufgrund der begrenzten
Nachleuchtdauer der Phosphorteilchen entwickelt.
Es wird mit 6 Lautsprechern: Center Front, Front
left, Front right, Back left, Back right und einem Subwoofer der Raumklang eines
Klangereignisses nachgebildet. Hierdurch kann beispielsweise ein in der Kirche
aufgenommenes Konzert im Wohnzimmer den Höreindruck von der „Kirche“
vermitteln.
6. Ein USB-Stick besitzt 256MByte. Wieviele
Sticks benötigen Sie, um eine Stunde DV-Aufzeichnung zu speichern?
DV hat 25MBit/s ->25MBit/s *
3600s=90*10^9Bit
USB-Stick:
256*8MBIT=2048 MBit
->90*10^9/2048*10^6
≈ 44 Sticks
ohne Steuerungs- / Protokollinformationen.